第九章传感器
9.2 常见传感器的工作原理
1.了解霍尔元件的工作原理。 2.了解常见的力传感器、电容传感器、电阻传感器的工作原理。 | |
物理素养 | 物理观念:深化理解传感器是把各种非电学量转化为电学量的物理观念。 科学思维:学习把非电学量转换为电学量的转换思维方法。 科学探究:探索传感器工作原理。 科学态度与责任:体会传感器在日常生活中的广泛使用,激发学生的创新精神。 |



1.磁传感器(霍尔元件)
(1)磁传感器的主要部分由半导体材料构成。
半导体材料中的自由电荷一类是正电荷,另一类是负电荷。
把这两种半导体薄片放在匀强磁场中,其平面与匀强磁场方向垂直,电流方向向上,如下图所示。
由于受洛伦兹力的作用,图(a)中正电荷向薄片右边积累,图(b) 中负电荷向薄片也向右边积累,使得每块薄片的两侧都产生电势差,这个现象叫做霍尔效应。
注意:电流方向相同,导体中自由电荷不同,霍尔效应产生的高电势位置不同。

(2)霍尔元件的工作原理

一个矩形半导体薄片,在其前、后、左、右分别引出一个电极,如图所示,沿PQ方向通入电流I,垂直于薄片加匀强磁场
,则在MN间会出现电势差U,设薄片MN方向长度为d,沿电流方向的横截面积为S,薄片中的带电粒子受到磁场力发生偏转,使N侧电势高于M侧,在半导体内部出现电场。带电粒子同时受到磁场力和电场力作用且方向相反,当磁场力与电场力平衡时,MN间电势差达到恒定,此时有:
。
根据电流的微观解释
,整理后得
。
因为d、
、I、
均为常数,所以U与B成正比,这就是霍尔元件能把磁学量转换成电学量的原理。
2.力传感器(力应变片)
①组成:由金属梁和应变片组成。

②工作原理:如图所示,弹簧钢制成的梁形元件右端固定,在梁的上下表面各贴一个应变片,左梁的自由端施力
,则梁发生弯曲,上表面拉伸,下表面压缩,上表面应变片的电阻变大,下表面电阻变小。
越大,弯曲形变越大,应变片的阻值变化越大。如果让应变片中通过的电流保持恒定,那么上面应变片两端的电压变大,下面应变片两端的电压变小。传感器把这两个电压的差值输出。外力越大,输出的电压差值也就越大。
3.电容式传感器
电容器的电容
决定于极板正对面积
、板间距离
以及极板间的电介质这几个因素,如果某一物理量(如角度
、位移
、深度
等)的变化能引起上述某个因素的变化,从而引起电容的变化,那么,通过测定电容器的电容就可以确定上述物理量的变化,作这种用途的电容器称为电容式传感器。

图甲是测定角度
的电容式传感器。
变化时,引起极板正对面积S的变化,使电容C发生变化。
图乙是测定液面高度
的电容式传感器。在导线芯的外面涂上一层绝缘物质,放入导电液体中。导线芯和导电液体构成电容器的两个极,导线芯外面的绝缘物质就是电介质。液面高度
发生变化时,引起正对面积发生变化,使电容
发生变化。
图丙是测定压力的电容式传感器,待测压力
作用于可动膜片电极上的时候,膜片发生形变,使极板间距离
发生变化,引起电容
的变化。
图丁是测定位移
的电容式传感器。随着电介质进入极板间的长度发生变化,电容
发生变化。
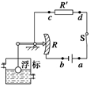
4.电阻应变片
原理:金属导体在外力作用下发生机械形变(伸长或缩短)时,其电阻随着它所受机械形变的变化而发生变化。
如图是一种测定油箱油量多少或变化多少的装置。其中电源电压保持不变,R是滑动变阻器,它的金属滑片是金属杆的一端。在装置中使用了一只电压表(图中没有画出),通过观察电压表示数,可以了解油量情况。
将电压表分别接在b、c之间与c、d之间,当油量变化时,电压表的示数变化有何不同?

5.气敏传感器
气敏传感器是用来检测气体浓度和成分的传感器。
如酒精传感器,当接触的气体中乙醇气体的浓度增加,它对外呈现的电阻值就降低,从而将酒精浓度转化为电信号。
应用:交警部门执法,以制止和处罚“酒后驾车”及“醉酒驾车”的行为。
6.压电效应和气敏传感器
压电效应:某些晶体在变化的外力作用下,表面会出现等量异号电荷,外力稳定或撤去外力后表面又恢复电中性的现象。
特点:只对变化敏感。
应用:利用压电效应特性可以把压电陶瓷片制成传感器,用它测量,得到振动图像。
7.各种传感器的信号转化
传感器名称 | 输入的物理量 | 输出的物理量 |
光敏电阻 | 光学量 | 电学量 |
热敏电阻 | 热学量 | 电学量 |
金属热电阻 | 热学量 | 电学量 |
电阻应变片 | 力学量 | 电学量 |
电容式位移传感器 | 力学量 | 电学量 |
霍尔元件 | 磁学量 | 电学量 |
例1.霍尔元件是实际生活中的重要元件之一,广泛应用于测量和自动化技术等领域.如图所示为一长度一定的霍尔元件,磁感应强度为B的匀强磁场垂直于霍尔元件的工作面向下,在元件中通入图示从E到F方向的电流I,元件中的载流子带负电,下列说法中正确的是( )

A.该元件能把电学量转化为磁学量
B.该元件C面的电势高于D面的
C.如果用该元件测赤道处地磁场的磁感应强度,应保持C、D面竖直
D.如果流过霍尔元件的电流大小不变,则元件C、D面的电势差与磁场的磁感应强度成正比
【答案】D
【解析】霍尔元件是能够把磁学量转换为电学量的传感器,A错误;
根据左手定则,带负电的电荷向C面偏转,C面带负电,D面带正电,所以D面电势高,B错误;
在测定地磁场的磁感应强度时,让磁场垂直通过元件的工作面,即应将元件的C、D面保持水平, C错误;
运动电荷最终在电场力和洛伦兹力的作用下处于平衡是状态,设霍尔元件的长、宽、高分别为a、b、d,则有q Ub=qvB,电流的微观表达式为I=nqvS=nqvbd,所以U=BInqd,如果流过霍尔元件的电流大小不变,则元件C、D面的电势差与磁场的磁感应强度成正比,D正确。
题型02力传感器
例2.(23-24高二上·上海·期末)有一种测量人体重的电子秤,其原理如图中虚线内所示,它主要由三部分构成:踏板、压力传感器R(是一个阻值可随压力大小而变化的电阻器)、显示体重的仪表G(实质是理想电流表)。设踏板的质量可忽略不计,已知理想电流表的量程为3A,电源电动势为12V,内阻为2Ω,电阻R随压力变化的函数式为
(F和R的单位分别是N和Ω)。则该秤能测量的最大体重是 N,一个过度肥胖者体重为110kg,他站在体重计上时,电流表G的电流值为 A(重力加速度取
)。

【答案】 1400 1.2
【详解】[1][2]理想电流表满偏时对应测量的体重最大,此时R的阻值为
所以可知此时R受到的压力F为
一个过度肥胖者体重为110kg,此时R受到的压力
为
对应的电阻阻值为
电流表G对应的电流为
题型03电容传感器
例3.如图所示是一个测定液面高度的传感器,在导线芯的外面涂上一层绝缘物质,放在导电液体中,导线芯和导电液体构成电容器的两极,把这两极接入外电路,当外电路中的电流变化说明电容值增大时,则导电液体的深度h的变化为( )

A.h增大 B.h减小 C.h不变 D.无法确定
【答案】A
【解析】由题意知,导线芯和导电液体构成电容器的两极,类似于平行板电容器的两极,当液面高度发生变化时相当于两极正对面积发生变化,会引起电容的变化。与平行板电容器类比可得,导电液体的深度h增大时,导线芯和导电液体正对面积增大,电容器的电容值变大。故A正确。
题型04电阻传感器
例4.(23-24高二上·上海黄浦·期末)一款补水提示器其工作原理如图所示,水量增加时滑片下移,电表可选择理想电流表或理想电压表。环保达人陈老师认为装置中选择使用电压表更好,理由是。选择电压表时,若要提升电压表示数随水量变化的灵敏度,可以
。(选填“增大”或“减小”)

【答案】 见解析 减小
【详解】[1]装置中选择使用电压表更好,理由是如果选择电压表,滑动变阻器R和定值电阻R0串联,且电压表测R的滑片至最上端的电压,无论滑片如何移动,变阻器接入电路的阻值不变,电路中电流不变。与电压表相比,选择电流表设计电路的总电阻较小,电路电流较大,由P=EI可知,电路的总功率较大,不节能;
[2]若选择电压表,减小电阻R0,电路中电流增大,电阻变化相同时,电压变化变大,即灵敏度提高。

1.在电梯门口放置一障碍物,会发现电梯门不停地开关,这是由于在电梯门上装有的传感器是( )
A.光传感器 B.温度传感器 C.声音传感器 D.压力传感器
【答案】D
【解析】电梯门碰到人或者其他障碍物时,受到障碍物的作用力,所以电梯门上装有感知这个作用力的传感器即压力传感器。
2.在一些星级宾馆的洗手间经常装有自动于手机,洗手后将湿手靠近,机内的传感器就开通电热器加热,有热空气从机内喷出,将湿手烘干。手靠近干手机能使传感器工作,是因为( )
A.改变湿度 B.改变温度 C.改变磁场 D.改变电容
【答案】D
【解析】自动干手机是一个电容器,手是导体,在电容器中放入导体,电容发生变化,D正确。
3.传感器的功能与人的视觉、听觉、触觉、嗅觉等功能相似。关于图中应用传感器的实际情景,下列说法错误的是( )

A.甲图传感器用来测量位移的微小变化,是位移传感器
B.乙图光电计数器用到了光敏电阻这个传感元件,是光传感器
C.丙图利用霍尔元件可以测量微小位移,是位移传感器
D.传感器感受力、温度、光、声等信号,把电学信号转换成非电学信号
【答案】D
【详解】A.甲图中,当被测物体左、右移动时,电介质板随之在电容器两极板之间移动,如果测出了电容的变化,就能知道物体位置的变化,所以甲图传感器是位移传感器,故A正确;
B.乙图中,A是发光仪器,B是接收光信号的仪器,B中的主要元件是由光敏电阻组成的光电传感器,当传送带上的物品挡住由A射向B的光信号时,光敏电阻的阻值会发生变化,供给信号处理系统的电压发生变化,这种高低交替变化的信号经过处理,就会转化为相应的数字,实现自动计数的功能,故B正确;
C.丙图中,在两块磁感应强度相同、同极相对放置的磁体缝隙中放入霍尔元件,当霍尔元件处于中间位置时,磁感应强度B为0,霍尔电压为0,可将该点作为位移的零点。当霍尔元件沿着z轴正、负方向移动时,则有霍尔电压输出,且电压大小与位移大小成正比,从而能够实现微小位移的测量,故C正确;
D.传感器感受力、温度、光、声等信号,把非电学信号转换成电学信号,故D错误,符合题意。
4.如图所示,铜板放入垂直向里的匀强磁场中(即磁场垂直ABCD平面向里),当铜板中有图示电流流过时,下列说法正确的是( )

A.ABCD面的电势高于
面的电势
B.ABCD面的电势低于
面的电势
C.
面的电势高于
面的电势
D.
面的电势低于
面的电势
【答案】D
【解析】铜板的载流子是自由电子,它在洛伦兹力作用下向
偏。
5. 如图所示是电容式话筒的示意图,它是利用电容制作的传感器,话筒的振动膜前面镀有薄薄的金属层,膜后距膜几十微米处有一金属板,振动膜上的金属层和这个金属板构成电容器的面极,在两极间加一电压U,人对着话筒说话时,振动膜前后振动,使电容发生变化,导致话筒所在电路中的其他量发生变化,使声音信号被话筒转化为电信号,其中导致电容变化的原因可能是电容器两板间的( )

A.距离变化 B.正对面积变化 C.介质变化 D.电压变化
【答案】A
【解析】对着话筒说话时,振动膜前后振动,则金属层和金属板间距离改变,即电容器两极板间距离改变,故导致电容变化的原因可能是电容器两极板间的距离变化,故A正确。
6. 压敏电阻的阻值随所受压力的增大而减小,有位同学利用压敏电阻设计了判断小车运动状态的装置,其工作原理如图甲所示,将压敏电阻和一块挡板固定在绝缘小车上,中间放置一个绝缘重球。小车向右做直线运动过程中,电流表示数变化与时间t的关系如图乙所示,下列判断正确的是( )

A.从t1到t2时间内,小车做匀速直线运动
B.从t1到t2时间内,小车做匀加速直线运动
C.从t2到t3时间内,小车做匀速直线运动
D.从t2到t3时间内,小车做匀加速直线运动
【答案】D
【解析】在t1~t2内,I变大,阻值变小,压力变大,小车做变加速运动,A、B均错。在t2~t3内,I不变,压力不变,小车做匀加速直线运动,C错,D对。故正确答案为D。
7.传感器广泛应用在我们的生产生活中,常用的计算机键盘就是一种传感器。如图所示,键盘上每一个键的下面都连一小金属片,与该金属片隔有一定空气间隙的是另一小的固定金属片,这两金属片组成一个小电容器。当键被按下时,此小电容器的电容发生变化,与之相连的电子线路就能够检测出哪个键被按下,从而给出相应的信号。这种计算机键盘使用的是( )

A.温度传感器 B.压力传感器 C.磁传感器 D.光传感器
【答案】B
【解析】压力信号转化为电容信号, B正确。
8. 如图甲所示是一个霍尔元件,是一个四端元件,其中AC端输入控制电流,BD端输出霍尔电压,可用多用电表的电压挡来检测。
如图乙,将霍尔元件的BD端与多用电表的最灵敏的50μA电流挡相连(由于霍尔电压很小,把它直接加在电流表两端,通过测量电流的变化,就可以知道电压的变化),电源E(6 V~12 V)与可变电阻R(470Ω)串联后连到霍尔元件的AC端,用以输入控制电流,R的滑动端置于中间位置。将条形磁铁的磁极靠近霍尔元件H,观察多用电表指针读数的变化。

保持霍尔元件H与条形磁铁磁极的相对位置不变,改变R的大小,再观察多用电表指针读数的变化。由此得出,霍尔电压与________有关。
【答案】输入电流
【解析】改变R的大小会观察到,电流越大,霍尔电压越大,所以霍尔电压与AC端输入电流有关。
9.电动自行车速度控制是通过转动右把手实现的,这种转动把手称“霍尔转把”,属于传感器非接触控制。转把内部有永久磁铁和霍尔器件等,截面如图(甲)。开启电源时,在霍尔器件的上下面之间加一定的电压,形成电流,如图(乙)。随着转把的转动,其内部的永久磁铁也跟着转动,霍尔器件能输出控制车速的电压,已知电压与车速关系如图(丙)。以下关于“霍尔转把”叙述正确的是( )

A.为提高控制的灵敏度,永久磁铁的上、下端分别为N、S 极
B.按图甲顺时针转动电动车的右把手,车速将变快
C.图乙中从霍尔器件的左右侧面输出控制车速的霍尔电压
D.若霍尔器件的上下面之间所加电压正负极性对调,将影响车速控制
【答案】B
【解析】由于在霍尔器件的上下面之间加一定的电压,形成电流,当永久磁铁的上下端分别为N、S极时,磁场与电子的移动方向平行,电子不受洛伦兹力作用,故A错误;
当按图甲顺时针转动把手,霍尔器件周围的磁场增强,输出的电势差增大,车速变快,故B正确;
根据题意,结合图乙的示意图,那么永久磁铁的N、S极可能在左、右侧面,或在前、后表面,因此从霍尔器件输出控制车速的电势差,不一定在霍尔器件的左右侧面,也可能在前后表面,故C错误;
当霍尔器件的上下面之间所加电压正负极性对调,从霍尔器件输出控制车速的电势差正负号相反,但由图丙可知,不会影响车速控制,故D错误。
10.压敏电阻的阻值会随所受压力的增大而增大。某同学利用压敏电阻设计了一个判断电梯运动状态的装置,其装置示意图如图1所示。将压敏电阻平放在电梯内,受压面朝上,在上面放一物体m,电梯静止时电流表示数为2I0.电梯在不同的运动过程中,电流表的示数分别如图2中甲、乙、丙、丁所示,则下列判断中正确的是( )

A.甲图表示电梯可能做匀加速上升运动 B.乙图表示电梯可能做匀减速上升运动
C.丙图表示电梯可能做匀加速下降运动 D.丁图表示电梯可能做匀减速下降运动
【答案】D
【解析】AB、当电流均匀增大时,其电阻是变小的,则压力是变大的,电梯不可能做匀变速运动。故AB错误。
C、当电流均匀减小时,其电阻是增大的,则压力变小,电梯不可能做匀变速运动,故C错误;
D、电梯静止时电流表示数为2I0.由图电流为静止时的一半,而且不变,由欧姆定律知,其电阻增大,且不变,则压力增大且不变,电梯可能做匀减速下降运动。故D正确。
11.(23-24高三上·上海嘉定·阶段练习)某同学利用压力传感器设计水库水位预警系统。如图,电路中的R1和R2,其中一个是定值电阻,另一个是压力传感器(可等效为可变电阻)。水位越高,对压力传感器的压力越大,压力传感器的电阻值越小。当a、b两端的电压大于U1时,控制开关自动开启低水位预警;当a、b两端的电压小于U2(U1、U2为定值)时,控制开关自动开启高水位预警。则压力传感器为(选填“R1”或“R2”);若定值电阻的阻值越大,开启高水位预警时的水位越(选填“高”或“低”)。

【答案】 R1低
【详解】[1]题意可知水位越高,对压力传感器的压力越大,压力传感器的电阻值越小。控制开关自动开启低水位预警,此时水位较低,压力传感器的电阻值较大,由于a、b两端此时的电压大于U1,根据串联电路电压分部特点可知,R1为压力传感器;
[2]根据闭合电路欧姆定律可知,a、b两端的电压为
若定值电阻的R2阻值越大,当开启低水位预警时a、b两端的电压大于U1时,R1压力传感器阻值需要越大,则水位越低。(设定的U1不变,R2变大则R1也变大,对应的水位更低。同理高水位预警值也变低)
12.(2022·上海杨浦·二模)力传感器是高中物理实验中常见的一种传感器,它通过敏感元件把待测力这一物理量转化为相应的电信号来进行测量。

(1)如图(a)所示,
、
、
、
为四个完全相同的应变片,弹性梁在外力的作用下产生形变时,应变片随之被拉伸或压缩,拉伸时电阻值变大,压缩时电阻值变小。现将
、
两个应变片粘贴在弹性梁的上表面,
、
两个应变片粘贴在弹性梁的下表面。当弹性梁右端受力向下弯曲时,
、
的电阻值,
、
的电阻值(均选填“变大”“变小”或“不变”)。
采用如图(b)所示的测量电路,已知电源电动势为
,内阻不计。每片应变片的初始电阻为
。当弹性梁右端受到外力作用,四个应变片的电阻变化量的绝对值均为
,则
、
两端的电压
。
(2)如图(c)所示为半导体薄膜压力传感器的电阻值
随压力
变化的图线。读图可知,压力为
时该图像的斜率为
,压力为
时该图像的斜率为
。要使传感器对力的变化测量较为灵敏,应选择在区间附近(选填“
”或“
”)。

【答案】 (1)变大 变小
(2)24 1.75 
【详解】(1)[1][2][3]当弹性梁右端受力向下弯曲时,
、
拉伸,电阻变大,
、
压缩,电阻变小。
两端电压
两端电压
所以
(2)[4][5][6]压力为
时该图像的斜率为
压力为
时该图像的斜率为
要使传感器对力的变化测量较为灵敏,则相同力,电阻变化大,故在
附近。
1、本网站所提供的信息,只供教育教学参考之用。
2、本网站及其会员一概毋须以任何方式就任何信息传递或传送的失误、不准确或错误对用户或任何其他人士负任何直接或间接的责任。
3、在法律允许的范围内,本网站在此声明,不承担用户或任何人士就使用或未能使用本网站所提供的信息或任何链接或项目所引致的任何直接、间接、附带、从属、特殊、惩罚性或惩戒性的损害赔偿。
4、访问者在从事与本网站相关的所有行为(包括但不限于访问浏览、利用、转载、宣传介绍)时,必须以善意且谨慎的态度行事;访问者不得故意或者过失的损害本网站的各类合法权益,不得利用本网站以任何方式直接或者间接的从事违反中华人民共和国法律、国际公约以及社会公德的行为。对于访问者利用本网站提供的信息而作出的任何决策、决定以及其后果,本网站不承担任何责任
5、本网站图片,文字之类版权,本网站无法鉴别所上传图片或文字的知识版权,如果侵犯,请及时通知我们,本网站将在第一时间及时删除。
6、凡以任何方式登录本网站或直接、间接使用本网站资料者,视为自愿接受本网站声明的约束。
UePlus

