学科题库 1 views
学科题库 1 views
学科题库 1 views
学科题库 1 views
学生进行动手实验探究,有助于思维发展、提升实践技能、增强综合素质。某老师在高二物理课上带领学生进行了电磁感应现象的实验研究,分别设计了如甲、乙、丙三个实验。

(1)图甲中,导体棒
向左移动切割磁感线时,灵敏电流计的指针发生了偏转,若导体棒
沿竖直方向上下移动,灵敏电流计的指针(选填“偏转”或“不偏转”)。
(2)图乙中,下列能使灵敏电流计指针发生偏转的是___________。
A.条形磁铁在线圈上方附近左右移动
B.条形磁铁向下插入线圈
C.条形磁铁置于线圈中不动
D.条形磁铁不动,线圈在条形磁铁的正下方上下运动
(3)图丙中,小车静止在光滑水平地面上,小车上固定有一个线圈,线圈与反向并联的发光二极管(具有单向导电性,通有正向电流时会发光)相连,当磁铁迅速靠近线圈时,小车会被排斥远离磁铁,此过程原磁场方向与感应电流产生的磁场方向相反;当磁铁迅速远离线圈时,小车会被吸引追随磁铁运动,此过程二极管(填“A”或“B”)亮。
...学科题库 1 views
跳绳也可以“发电”。用一根带有绝缘皮的长铜导线做跳绳,将它的两端与固定在地面上的灵敏电流计相连,摇动跳绳时,发现灵敏电流计的指针左右摆动。则( )
A.向任意方向摇绳一定都能产生电流
B.只能在赤道平面上产生电流
C.跳绳发电属于电磁感应
D.跳绳发电属于电流的磁效应
...1、本网站所提供的信息,只供教育教学参考之用。
2、本网站及其会员一概毋须以任何方式就任何信息传递或传送的失误、不准确或错误对用户或任何其他人士负任何直接或间接的责任。
3、在法律允许的范围内,本网站在此声明,不承担用户或任何人士就使用或未能使用本网站所提供的信息或任何链接或项目所引致的任何直接、间接、附带、从属、特殊、惩罚性或惩戒性的损害赔偿。
4、访问者在从事与本网站相关的所有行为(包括但不限于访问浏览、利用、转载、宣传介绍)时,必须以善意且谨慎的态度行事;访问者不得故意或者过失的损害本网站的各类合法权益,不得利用本网站以任何方式直接或者间接的从事违反中华人民共和国法律、国际公约以及社会公德的行为。对于访问者利用本网站提供的信息而作出的任何决策、决定以及其后果,本网站不承担任何责任
5、本网站图片,文字之类版权,本网站无法鉴别所上传图片或文字的知识版权,如果侵犯,请及时通知我们,本网站将在第一时间及时删除。
6、凡以任何方式登录本网站或直接、间接使用本网站资料者,视为自愿接受本网站声明的约束。
UePlus

插入
后,下列实验操作产生的感应电流与合上开关时产生的感应电流方向相同的是。



为原线圈(图中已标示外侧导线电流方向),
为副线圈和灵敏电流计G(电流由正接线柱流入时指针向正接线柱一侧偏转)。
插入
稳定后再迅速拔出瞬间,电流计指针将;
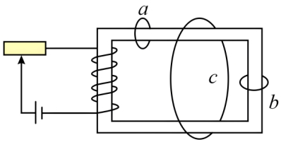
,假设线圈产生的磁场全部集中在铁芯内。下列说法正确的是( )
环的磁通量大于
环的磁通量
、
、
三个环的磁通量依次增大
、
两个环中有感应电流
、
、
三个环中都有感应电流

