学科题库 0 views
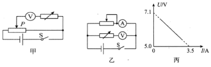
(1)为测量某一电池的电动势和内阻,某同学设计了如图1所示的实验电路,其中电流表
和电压表
的内阻均未知。正确连接实验器材,移动滑动变阻器
滑片的位置,记录多组对应的电压表示数
和电流表示数
,在坐标系中描出相应的点并拟合出如图2所示的
图线。
①由图2中数据可得电源电动势
,内阻
。(均保留2位有效数字)

②若忽略偶然误差,考虑电表内阻的影响,则①中测得的内阻
(填“大于”、“等于”或“小于”)真实值。
(2)该同学紧接着用(1)中的电池给一个欧姆表供电。该欧姆表内部结构如图3所示,表盘刻度如图4所示(中央刻度处示数为“15”),已知灵敏电流计
的满偏电流为
,内阻为
,
、
为两表笔插孔。若直接用该欧姆表测量一个阻值约为
的电阻
,将会出现指针偏角(填“过大”或“过小”)的现象;若想使测量时指针位于图4所示位置,则需在图3中与
表并联一个阻值为
的电阻。

学科题库 0 views
(1)(单选)首先考虑用多用电表直接测量干电池的电动势和内阻,但是多用电表___________
A.可以粗测电动势,不能粗测内阻
B.可以粗测内阻,不能粗测电动势
C.可以粗测电动势和内阻
D.既不可粗测电动势,也不可粗测内阻
(2)然后,某同学从实验室找到以下器材:
A.量程0-3V-15V的电压表,内阻约为
或
B.量程
的电流表,内阻约为
或
C.滑动变阻器
D.滑动变阻器
E.开关、导线若干

①连接电路如图(a)所示,
点应连接在(选填“A”、“B”或“C”)点;
②为了实验操作方便读数准确,滑动变阻器应选择(选填“
”或“
”)。
(3)为更准确测量干电池电动势和内阻,某同学设计了如图(b)所示的电路,闭合开关
,将开关
接在
端,调节电阻箱
的阻值,记录多个电压表和电流表的示数,作出
图线,如图(c)中图线1所示,图线1与
轴和
轴的截距分别为
和
。保持开关
闭合,再将开关
接在
端,调节电阻箱
的阻值,记录多组电压表和电流表的示数,作出
图线。如图(c)中图线2所示,图线2与
轴和
轴的截距分别为
和
。从尽可能减小电表引起的系统误差的角度可得,电动势
,内阻
。(用
、
、
、
表示)
学科题库 0 views
某实验小组测量一粗细均匀的电阻丝的电阻率。有如下实验器材可供选择:
A.待测电阻丝(阻值约
)
B.电流表A(0~0.6A,0~3A)
C.电压表V(0~3V,0~15V)
D.滑动变阻器
E.电源E(电动势为3.0V,内阻不计)
F.开关,若干导线

(1)如图甲所示,用螺旋测微器测量电阻丝的直径时,当测微螺杆靠近电阻丝时,应停止使用旋钮,改用,听到“喀喀”声时停止,(请在螺旋测微器上的三个部件①、②、③中选填);
(2)螺旋测微器示数如图乙所示,则该电阻丝的直径
mm。
(3)实验时要求电流表的示数从零开始测量,用笔画线代替导线将图丙电路连接完整。
(4)实验小组采集到多组不同长度的电阻丝对应的电压表示数U和电流表示数I,利用
计算出电阻丝不同长度l对应的阻值R,描绘出的点如图丁所示,在图丁中画出
图线。已知图线的斜率为k,请写出电阻丝的电阻率表达式
。(用
,k,d表示)
(5)本实验中,小明同学认为由于电流表的内接导致电阻丝的阻值R测量偏大,从而使得电阻丝的电阻率
测量值偏大,你同意他的观点吗?请说明理由
学科题库 0 views
某同学测一段粗细均匀的金属圆柱体ab的电阻率ρ,除了待测金属圆柱体、多用电表、螺旋测微器、游标卡尺之外,实验室还准备了如下器材:
A.电压表V1(量程0~3V,内阻很大)
B.电压表V2(量程0~3V,内阻
)
C.滑动变阻器R1(阻值范围为0~10Ω,最大电流为3A)
D.定值电阻
E.电源(输出电压恒为4V)
G.开关,导线若干
(1)实验前用多用电表粗略测量圆柱体的电阻,选择“×1”倍率的欧姆挡,欧姆调零后再进行测量,多用电表的示数如图甲所示,多用电表读数为Ω;用直尺测得金属圆柱体的长度为50cm,用螺旋测微器测量圆柱体的直径,测量结果如图乙所示,其读数为mm。

(2)为获得多次测量数据,实验小组组装了图丙电路图,因实验室没准备电流表,电路中电压表V2与定值电阻。
并联当作电流表使用,它的量程为A。(保留一位小数)
(3)测得电压表示数
,
则该金属圆柱体电阻。
Ω(保留一位小数),电阻率
(保留两位有效数字)。
学科题库 0 views
某兴趣小组利用半偏法测量量程为
的电流表的内阻,实验电路如图甲所示。
实验步骤如下:
①按图连接好电路,将电阻箱
的阻值调至最大;
②闭合开关
、断开开关
,调节电阻箱
,使电流表满偏;
③保持电阻箱
接入电路的电阻不变,再闭合开关
,调节电阻箱
使电流表示数为
,记录此时电阻箱
的阻值。

(1)在步骤③中,若记录的电阻箱阻值
,则电流表的内阻为
;
(2)将该电流表和电阻箱并联改装成一个量程为
的新电流表,则电阻箱的阻值应该调整到
;
(3)该小组用这个新电流表去测量一节干电池的电动势和内阻,除了待测干电池、新电流表、开关和若干导线之外,实验室还提供了以下器材:
A.电压表V(量程为
、内阻约为
)
B.滑动变阻器R(
,最大电流为
)
该小组设计的电路图如图乙所示,为了准确测量干电池内阻,改装后的新电流表应该接在(选填“a”或“b”)点。
(4)闭合开关S,改变滑动变阻器滑片的位置,记录多组电压表的示数U和新电流表的示数I,根据实验数据所绘制出的
图像如图丙所示。根据图像可得,被测干电池的电动势
V,内阻
(结果均保留两位小数)。
学科题库 0 views
(1)在“测定金属丝电阻率”的实验中,某同学使用游标卡尺和螺旋测微器测量一段金属丝的长度
和直径
,其中金属丝长度的测量结果如图所示,则金属丝长度
为
。

(2)已知待测金属丝阻值约为
,实验中所用电流表内阻约为
,电压表内阻约为
,滑动变阻器阻值范围为
,直流电源电动势为
,内阻很小。
①实验中连接电流表时应采用的实验电路是(填“甲”或“乙”)。

②正确连接实验电路进行测量,若测得电流表的示数为
、电压表的示数为
,则金属丝电阻率的测量值为(用
、
、
、
表示)。
学科题库 0 views
①正确的操作顺序是(填字母)。
A.把选择开关旋转到交流电压最高档,并拔出红、黑表笔
B.调节欧姆调零旋钮使指针指到欧姆零点
C.把红、黑表笔分别接在
两端,然后读数
D.把选择开关旋转到合适的档位,将红、黑表笔接触
E.把红、黑表笔分别插入多用电表“+”、“-”插孔,用螺丝刀调节指针定位螺丝,使指针指向电流或电压的零刻度
②正确操作后,多用电表的指针位置与选择开关如图1所示,则


(2)在“导体电阻率的测量”实验中,为了比较精确地测定一段长度为
、粗细均匀、电阻约为
的合金丝的电阻率
。
①螺旋测微器测量合金丝直径时的刻度位置如图2所示,读数为
。
②设计了如图3所示的电路,在实验测量时,应将
点接(填“
点”或“
点”)。按此连接测量合金丝电阻,测量结果(填“小于”、“等于”或“大于”)真实值。
③在实验过程中,调节滑动变阻器,电压表和电流表均有示数但总是调不到零,其原因是的导线没有连接好(图3中用数字标记的小圆点表示接线点,空格中请填写图中的数字,如“7点至8点”)。
④根据实验测得的6组数据,在图4中描点,作出了2条图线。请你选择其中一条认为正确的图线,并根据你选择的图线,求出该金属丝的电阻率
。(保留两位有效数字)

学科题库 0 views

(1)把电压表量程扩大,实验电路如图甲所示,请完成第五步的填空。
第一步:把滑动变阻器滑片移至最右端;
第二步:把电阻箱阻值调到零;
第三步:闭合开关;
第四步:把滑动变阻器滑片调到适当位置,使电压表读数为9V;
第五步:保持滑动变阻器滑片不动,把电阻箱阻值调到适当值,使电压表读数为V;
第六步:不再改变电阻箱阻值,保持电压表和电阻箱串联,撤去其他线路,即得量程为0~30V的电压表。
(2)上述实验可供选择的器材有:
A.待测电池(电动势20~22V,内阻小于2Ω);
B.电压表(量程为0~10V,内阻约10kΩ);
C.电阻箱(0~9999Ω,额定功率小于10W);
D.电阻箱(0~99999Ω,额定功率小于10W);
E.滑动变阻器(0~20Ω,额定电流2A);
F.滑动变阻器(0~2kΩ,额定电流0.2A);
电阻箱应选,滑动变阻器应选。(均填器材前的字母代号)
(3)用该扩大了量程的电压表(电压表的表盘没变),采用伏安法测电源电动势E和内阻r,实验电路如图乙所示,得到多组电压U和电流I的值,并作出
图线如图丙所示,可知电池的电动势为V,内阻为Ω。
学科题库 0 views
某物理兴趣小组的同学去实验室,测量一节干电池的电动势和内阻(内阻约
),设计实验电路如图1所示,实验室还有如下器材:

A.电压表
:量程为10V,内阻很大
B.电压表
:量程为2V,内阻很大
C.电阻箱
:总阻值为
D.滑动变阻器
:
E.定值电阻:
F.开关、导线若干
(1)为了较准确的测量,电压表V应选用(填“
”或“
”),变化电阻应选用(填“
”或“
”)。
(2)连接好电路,闭合开关,改变电路的总电阻,记录变化电阻的电阻值R和对应的电压表示数U,画出
随的变化图线,如图2所示,直线与纵轴的交点坐标为b,斜率为k,则电源的电动势为,内阻为(后两空用b、k或
中的字母表示)
学科题库 0 views

(1)如图甲所示,用螺旋测微器测得金属丝的直径
mm。如图乙所示,用20分度游标卡尺测得金属丝的长度
mm。
(2)用伏安法测量金属丝的电阻
(阻值约为
),实验中除开关、若干导线之外还提供下列器材:
电流表
(量程0~0.6A,内阻约
);
电流表
(量程0~3A,内阻约
);
电压表
(量程0~3V,内阻约
);
电压表
(量程0~15V,内阻约
);
滑动变阻器R(
):
电源E(电动势为3.0V,内阻不计)。
为了调节方便,测量准确,实验中电流表应选,电压表应选。
(3)根据所选用的实验器材,应选用以下哪个电路图进行实验?。

(4)若通过测量可知,金属丝接入电路的长度为l,直径为d,通过金属丝的电流为I,金属丝两端的电压为U,由此可计算得出金属丝的电阻率
。(用题目所给字母表示)
1、本网站所提供的信息,只供教育教学参考之用。
2、本网站及其会员一概毋须以任何方式就任何信息传递或传送的失误、不准确或错误对用户或任何其他人士负任何直接或间接的责任。
3、在法律允许的范围内,本网站在此声明,不承担用户或任何人士就使用或未能使用本网站所提供的信息或任何链接或项目所引致的任何直接、间接、附带、从属、特殊、惩罚性或惩戒性的损害赔偿。
4、访问者在从事与本网站相关的所有行为(包括但不限于访问浏览、利用、转载、宣传介绍)时,必须以善意且谨慎的态度行事;访问者不得故意或者过失的损害本网站的各类合法权益,不得利用本网站以任何方式直接或者间接的从事违反中华人民共和国法律、国际公约以及社会公德的行为。对于访问者利用本网站提供的信息而作出的任何决策、决定以及其后果,本网站不承担任何责任
5、本网站图片,文字之类版权,本网站无法鉴别所上传图片或文字的知识版权,如果侵犯,请及时通知我们,本网站将在第一时间及时删除。
6、凡以任何方式登录本网站或直接、间接使用本网站资料者,视为自愿接受本网站声明的约束。
UePlus
。