11.6专题二:测量电阻的创新实验(解析版)

1.通过课堂探究掌握安安法、伏伏法、代替法、半偏法和电桥法测量电阻的基本原理和误差分析


【课堂探究】
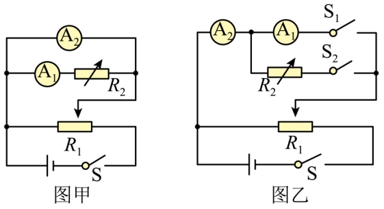
(一)安安法测电阻
为测量电阻Rx的阻值,电路图如下图所示:

(1)Rx的电压如何表示?
Ux=I1(RA1+R0)。
(2)Rx的电流如何表示?
Ix=I2-I1。
(3)如何计算Rx的电阻
Rx=
。
(4)A1和A2两个电流表中,哪个电表内阻要已知?
需要计算电压,所以需要已知A1内阻。
(5)A1和A2两个电流表中,哪个电表量程更大?
A2的量程需要更大一些。
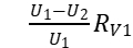
(二)伏伏法测电阻
为测量电阻Rx的阻值,电路图如下图所示:

(1)Rx的电压如何表示?
Ux=U1-U2。
(2)Rx的电流如何表示?
Ix=
。
(3)如何计算Rx电阻?
Rx=
。
(4)V1和V2两个电流表中,哪个电表内阻要已知?
因为要计算电流,所以V1电阻要已知。
(5)V1和V2两个电流表中,哪个电表量程更大?
V2量程更大。
(三)等效替代法测电阻
为测量电阻Rx的阻值,电路图如下图所示,先将开关S接1,滑动滑动变阻器使电流表指针指向适当的位置

(1)将开关与2接触,如何操作可以测定阻值?
调节电阻箱阻值,使得电流开关接S1相同,则说明Rx=R1。
(四)半偏法测电表电阻
1.为测量电流表内阻的阻值,电路图如下图所示,首先断开S2,闭合S1,调节滑动变阻器使电流表满偏。

(1)闭合开关S2,调节R2使电流表半偏,此时两条支路上电流表和电阻R2的电流满足什么关系?
因为闭合开关S2前电流满偏,所以闭合开关S2后半偏,则说明IA=IR2。
(2)电流关系说明了两者的电阻满足什么关系?
电流相等,则说明R2=RA。
(3)本实验有什么误差?
在闭合开关S2之后,由于电流表和R2并联,所以回路中总电阻减小,故干路中的电流增大,所以当电流表半偏时,IA<IR2,则R2<RA,故测量结果偏小。
(4)为减小误差滑动变阻器应该如何选择?
误差来源与闭合开关S2前后电阻变化,导致电流改变,所以滑动变阻器最好选一个大电阻,这样干路电流变化小,则误差小。
(5)如何改进实验?
在干路中增加一个电流表A2,一直保证IA=
,则可以满足R2=RA。
2.为测量电压表内阻的阻值,电路图如下图所示,首先电阻箱R2阻值调为0,闭合开关S,调节滑动变阻器使电压表满偏。

(1)调节R2使电压表半偏,此时电压表和电阻R2的电压满足什么关系?
当电压表半偏时,说明UV=UR2。
(2)电压关系说明了两者的电阻满足什么关系?
RV=R2。
(3)本实验有什么误差?
在增大R2的过程中,并联部分的总电阻增大,则会使分到的电压更大,故当电压表半偏时,UV<UR2,所以RV<R2。则测量值偏大。
(4)为减小误差滑动变阻器应该如何选择?
为减小由于电阻增大而导致电压增大的误差,所以滑动变阻器应该选择个小量程的,因为
,所以当一个电阻小时,即使并联一个大电阻,阻值变化幅度不会很大。
(5)如何改进实验?
在用一个电压表V2和电压表V与R2并联,只需保证V=
,则UV=UR2,故RV=R2。
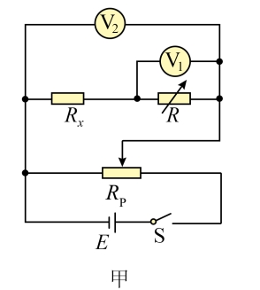
(五)电桥法测电阻
1.如图所示,在a、b间接一灵敏电流计,当其读数为零时

(1)a、b两点的电势满足什么关系?
当电流表读数为零时,说明φa=φb。
(2)m、n两点电势满足什么关系?
m和n是导线相连,故φa=φb。
(3)UR1和UR3满足身关系?
UR1=UR3。
(4)R2和R4的电压满足什么关系?
UR2=UR4。
(5)R1、R2、R3、R4满足什么关系?
根据欧姆定律有:R1=R2,R3=Rx。由以上两式解得:R1·Rx=R2·R3。
【知识梳理】
方法 | 电路图 | 原理 | 条件 | 误差 |
安安法 |
| Ux=I1(RA1+R0) Ix=I2-I1 Rx= | ①RA1已知 ②A2量程达于A1 | 无误差 |
伏伏法 |
| Ux=U1-U2 Ix= Rx= | ①RV1已知 ②V2量程达于V1 | 无误差 |
替代法 |
| 单刀双掷开关分别与1、2相接,调节电阻箱R1,保证电流表两次读数相等,则R1的读数即等于待测电阻的阻值 | 无 | 无 |
半偏法 |
测量电流表内阻 | 闭合S1,断开S2,调节R1使G表满偏;再闭合S2,只调节R2,使G表半偏(R1≫R2),则R2=R测,R测<R真 | R1≫RA | RA测=R2<R真 当闭合S2时,总电阻减小,总电流增大,大于原电流表的满偏电流,而此时电流表半偏,所以流经R2的电流比电流表所在支路的电流大,R2的电阻比电流表的电阻小,而我们把R2的读数当成电流表的内阻,故测得的电流表的内阻偏小。 |
测量电压表内阻 | 使R2=0,闭合S,调节R1使V表满偏;只调节R2使V表半偏(RV≫R1),则R2=R测,R测>R真 | R1≪RV | RV测=R2>RV 当R2的值由零逐渐增大时,R2与电压表两端的电压也将逐渐增大,因此电压表读数等于 | |
电桥法 |
| 调节电阻箱R3,当A、B两点的电势相等时,R1和R3两端的电压相等,设为U1,同时R2和Rx两端的电压也相等,设为U2,根据欧姆定律有:R1=R2,R3=Rx。由以上两式解得:R1·Rx=R2·R3,这就是电桥平衡的条件,由该平衡条件可求出被测电阻Rx的阻值 | 无,由何时的器材即可 | 无 |

考点一:安安法测电阻
(2025·湖南·一模)某同学利用热敏电阻的阻值随温度变化的特性,制作了一个简易的汽车低油位报警装置。
(1)该同学为了探究该热敏电阻阻值随温度变化的关系,设计了如图甲所示的实验电路,定值电阻
,则在闭合开关前,滑动变阻器的滑片P应置于最(选填“左”或“右”)端;在某次测量中,若毫安表
的示数为2.5mA,
的示数为1.0mA,两电表可视为理想电表,则热敏电阻的阻值为kΩ。

(2)该同学通过探究得到热敏电阻
随温度变化的规律如图乙所示,他利用此热敏电阻设计的汽车低油位报警装置如图丙所示,其中电源电动势E=6.0V,定值电阻R=1.1kΩ,长为l=50cm的热敏电阻下端紧靠在油箱底部,不计报警器和电源的内阻。已知流过报警器的电流I
3.0mA时报警器开始报警,若测得报警器报警时油液(热敏电阻)的温度为30℃,油液外热敏电阻的温度为70℃,由此可知油液的警戒液面到油箱底部的距离约为cm。
【答案】(1) 左 5.0/5
(2)20
【知识点】热敏电阻、利用双安法测量电阻
【详解】(1)[1]滑动变阻器采用分压接法,为保护电路安全,在开关闭合前应将滑动变阻器的滑片P置于最左端;
[2]由于
和
并联,故有
代入数据解得
(2)设警戒液面到油箱底部的距离为x,温度为30℃时热敏电阻的阻值为
,则在油液内的热敏电阻的阻值为
同理,可得油液外的热敏电阻的阻值为
其中
,由闭合电路欧姆定律有
将E=6V、I=3.0mA、R=1.1kΩ代入可得x=20cm
(2025·江苏南京·二模)现要尽量准确地测量量程为0~0.6A、内阻约为2Ω的电流表A1的内阻RA,实验室提供的其他器材如下:
电流表A2(量程0~3A,内阻r=10Ω);
滑动变阻器R1(最大阻值10Ω,最大电流3.5A);
电阻箱R2(阻值0~999Ω);
电源E(电动势30V,内阻约0.5Ω);
开关、导线若干。
选用上述的一些器材,两个同学分别设计了图甲、图乙所示的电路图。

(1)在图甲的电路中,下列电阻箱R2的取值最合理的是。
A.5Ω B.50Ω C.500Ω
(2)在图甲的电路中,测得电流表A1、A2的示数分别为I1、I2,电阻箱的示数为R2,则电流表A1的内阻RA的测量值为。(用所给物理量表示)
(3)按图乙的电路进行如下操作:
①先将滑动变阻器R1的滑动触头移到使电路安全的位置,再把电阻箱R2的阻值调到(填“最大”或“最小”)。
②闭合开关S1、S,调节滑动变阻器R1,使两电流表的指针有较大幅度偏转,记录电流表A2的示数I。
③断开S1,保持S闭合、R1不变,再闭合S2,调节R2,使电流表A2的示数,读出此时电阻箱的阻值R0,则电流表A1的内阻RA=。
【答案】(1)B
(2)
(3) 最大 仍为I
【知识点】利用双安法测量电阻
【详解】(1)为了减小测量误差,图甲中两个电流表应同时偏转较大角度,阻箱R2的阻值应为
。
故选B。
(2)在图甲的电路中,测得电流表A1、A2的示数分别为I1、I2,电阻箱的示数为R2,则电流表A1两端的的电压为
故电流表A1电阻的测量值为
(3)[1]实验前电阻箱R2的阻值调到应该调节到最大,以保证电表安全;
[2][3]替代法最简单的操作是让A2的示数不变,仍为I,则可直接从
的读数得到电流表
的内阻,即
。
考点二:伏伏法测电阻
(2025·天津河西·一模)学生实验小组要测量量程为3V的电压表
的内阻
。可选用的器材有:
A.电源(电动势5V)
B.电压表
(量程5V,内阻约3
)
C.定值电阻R(阻值为800
)
D.滑动变阻器
(最大阻值50
)
E、滑动变阻器
(最大阻值5
)
F、开关S,导线若干
(1)他们设计了如图所示的实验电路图,其中滑动变阻器应选(填“
”或“
”)。

(2)闭合开关S前,滑动变阻器的滑片应置于(填“a”或“b”)端。
(3)请按照实验电路图将图中的实物图连接完整。

(4)闭合开关S,滑动变阻器滑片滑到某一位置时,电压表
、待测电压表
的示数分别为
、
,则待测电压表的内阻
(用
、
和R表示)。
【答案】(1)
(2)a
(3)
(4)
【知识点】利用双伏法测量电阻
【详解】(1)在如图所示的电路中滑动变阻器采用的是分压式连接,为了方便调节,应选最大阻值较小的滑动变阻器,即选
。
(2)为保护电路,且测量电路部分电压从零开始条件,闭合开关S前,滑动变阻器的滑片应置于a端。
(3)根据实验电路图连接成完整的实物图,如图所示

(4)由电路图可知,电压表
与定值电阻
串联,两者的电流相等,则有
解得
(2025·甘肃白银·二模)某物理兴趣小组利用如图甲所示电路测量电阻
的阻值,实验提供的器材有:电源E、滑动变阻器
、待测电阻
、电阻箱R、电压表
(内阻
未知)、电压表
(内阻很大,可视为理想电压表)、开关S、导线若干。



丙实验操作步骤如下:
按图甲所示连接好实验器材;
②闭合开关S,调节滑动变阻器
与电阻箱R,使电压表
、
指针均发生明显偏转;
③读取电压表
、
和电阻箱的示数,分别记为
、
、R;
④重复步骤②③,得到多组
、
、R数据。
(1)根据图甲电路图,用笔画线代替导线把图乙所示的实验器材连接起来。
(2)小组成员根据实验数据,以
为纵坐标,以
为横坐标,绘制出
关系图像如图丙所示,图丙中a、b、c均已知,根据图像可知,待测电阻
,电压表
的内阻
。
【答案】(1)见解析
(2) 

【知识点】利用双伏法测量电阻
【详解】(1)根据电路图,连接实物图如图所示。

(2)[1][2]根据欧姆定律有
可得
结合题图丙有
,
解得
考点三:等效替代法测电阻
(2024·江西·一模)某实验室现有的电学器材如下:
两节干电池E(电动势为3.0V,内阻未知)
电流表A(量程为10mA,内阻为90Ω)
定值电阻R0(阻值为400Ω)
滑动变阻器R(最大阻值为200Ω)
单刀双掷开关S
导线若干
某同学利用现有器材,设计了一个测量未知定值电阻
的实验,测量电路图如图甲所示。

(1)用笔画线代替导线,请在答题卡上按照电路图甲,将实物图乙连接成完整电路
(2)实验时,先断开开关,连接好电路,将滑动变阻器R的滑片调到阻值最大一端;然后将单刀双掷开关S掷到2,调节滑片到某位置,此时电流表指针如图丙所示,读数为mA再保持滑片的位置不变,将单刀双掷开关S掷到1,此时电流表指针指在满刻度处。若不考虑电池内阻,则
的测量值为Ω。
(3)本实验中若考虑电池内阻,
的测量值与不考虑电池内阻时的测量值相比将__________.
A.变大 B.变小 C.不变 D.无法比较
【答案】(1)
(2) 5.0 100
(3)C
【知识点】电学创新实验、用电阻箱替代电阻测量阻值、闭合电路欧姆定律的内容和三个公式
【详解】(1)由电路图连接实物,其实物图如图所示

(2)[1]电流表的精确度为0.5mA,由题图可知,其读数为

[2]若不考虑电源内阻,则开关接2位置时,有

当开关接到1位置时,有

结合之前的分析,解得

(3)若考虑电源内阻,设内阻为r,开关接2有

开关接1有

整理有

有上述分析可知,待测电阻
的测量不受影响。
故选C。
【点睛】本题考查电阻的测量方法,要注意该实验中采用比较的方法设计测量电阻的电路,若是电阻箱,可以运用等效替代的方法设计。本题中没有电压表,不能用伏安法测量电阻,可以运用比较法进行设计,将待测电阻与定值电阻分别接入电路,保持变阻器的接入电路的电阻不变,读出电流,根据闭合电路欧姆定律得到待测电阻。
考点四:半偏法测电阻
(2025·黑龙江·二模)某同学要将一个量程为
的毫安表改装成量程为
的电流表,它先测出毫安表的内阻,然后对电表进行改装,最后再利用标准电流表进行校准。

该同学利用“半偏法”原理测量毫安表G的内阻,实验中可供选择的器材如下:
A.滑动变阻器
B.滑动变阻器
C.电阻箱
D.电源
(电动势为
)
E.电源
(电动势为
)
F.电源
(电动势为
)
G.开关、导线若干
具体实验步骤如下:
a.按电路原理图甲连接好线路;
b.将滑动变阻器
的阻值调到最大,闭合开关
后调节
的阻值,使毫安表
的指针满偏;
c.闭合
,保持
不变,调节
的阻值,使毫安表
的示数为
,此时
的示数为
;
回答下列问题:
(1)为减小实验误差,实验中电源应选用,滑动变阻器应选用(填仪器前的字母);
(2)由实验操作步骤可知毫安表G内阻的测量值
;
(3)若按照(2)中测量的Rg,将上述毫安表
改装成量程为
的电流表需要并联一个阻值为
的电阻
;(结果保留一位小数)
(4)对改装后的电流表进行校对,由于内阻测量造成的误差,当标准电流表示数为
时,改装电流表中毫安表
的示数为960μA,为了尽量消除改装后的电流表测量电流时带来的误差,
的阻值应调至
(结果保留1位小数)。
【答案】(1) E B
(2)1820.5
(3)3.0
(4)3.1
【知识点】半偏法测灵敏电流计内阻的电路设计和实验步骤和误差分析
【详解】(1)[1]本实验误差来自于闭合S2电阻箱
并入电路后,干路电流会发生变化,为使干路电流变化较小,应使干路中滑动变阻器进入电路的阻值尽量大,为使电流表能够满偏,相应的电源电动势应较大。故电源选择电动势约为9V的电源E,即选E;
[2]毫安表G的满偏电流为500μA,则干路中滑动变阻器进入电路的最小阻值约大于
故滑动变阻器应选用最大阻值为
的
,即选B。
(2)由实验操作步骤可知通过微安表的电流等于通过电阻箱的电流,可知两部分电阻相等,即微安表G内阻的测量值
(3)若按照(2)中测算的
,将上述微安表G改装成量程为0.6A的电流表需要并联的电阻
为
代入数据可得
(4)当微安表G的示数为
时
若是调整为准确,则需将微安表读数变为
,则
联立解得
(2025·四川达州·二模)某同学设计了如图甲所示的电路来测电流表的内阻以及电源的电动势和内阻。
(1)待测电流表的量程为3mA。可供选择的器材有:
A.电阻箱(最大阻值9999.9Ω)
B.电阻箱(最大阻值999.9Ω)
C.直流电源E(电动势约为6V)
D.开关两个,导线若干。
实验步骤如下:
①按图正确连接线路;
②闭合开关S1、断开开关S2,调节电阻箱R1,使电流表满偏;
③保持电阻箱R1接入电路的电阻不变,再闭合开关S2,调节电阻箱R2使电流表示数为2mA,记录电阻箱R2的阻值。

(a)实验中电阻箱R1应选择(选填“A”或“B”)。
(b)在步骤③中,若记录的电阻箱阻值。
,则可得到电流表的内阻为Ω;若考虑到在接入电阻箱R2时,干路上电流发生的微小变化,则用该办法测出的电流表内阻的测量值真实值(选填“小于”、“等于”或“大于”)。
(2)该同学测出电流表的内阻后,闭合开关S1和S2,保持R2不变,调节R1,记录电阻箱的阻值R1和电流表的示数I,得到
关系如图乙中所示;电池的电动势E=,内阻r=。
【答案】(1) A 15 小于
(2) 

【知识点】半偏法测电表内阻的实验目的、原理、器材、半偏法测灵敏电流计内阻的电路设计和实验步骤和误差分析
【详解】(1)(a)[1]当电流表满偏时电流为3mA,此时回路中电阻值为
所以变阻箱选最大阻值9999.9Ω,故选A。
(b)[2]闭合开关S1、断开开关S2,调节电阻箱R2,使电流表满偏即回路中电流为3mA,保持电阻箱R1接入电路的电阻不变,再闭合开关S2,调节电阻箱R2使电流表示数为2mA,两者是并联关系,电压也相等,则有
解得
[3]由于接入电阻箱R2,导致干路上电流变大,当电流表示数为2mA,则流过变阻箱的电流大于2mA,这样导致测量值小于真实值。
(2)[1][2]根据闭合电路欧姆定律有
变形可得
根据图像的斜率与截距可知
,
解得
, 
(24-25高二上·云南楚雄·期末)“寒风”学习小组计划将量程为5mA的表头
改装成量程为0.6A的表头。同学们讨论后决定先对表头
的内阻进行测量。同学们从实验室领取的实验器材有:表头
、电池组(电动势为3V、内阻可忽略)、滑动变阻器、电阻箱、导线、开关等。

(1)经过讨论,同学们设计的实验电路如图甲所示,在连接电路时,发现实验室提供的滑动变阻器有两个:滑动变阻器A(最大阻值为10Ω,允许通过的最大电流为2.0A)、滑动变阻器B(最大阻值为2kΩ,允许通过的最大电流为0.5A)。同学们应选(填“A”或“B”)。同学们正确连接电路,接着将滑动变阻器R的阻值调至最大,闭合
,调节滑动变阻器R,使表头
满偏;保持滑动变阻器R的滑片不动,再闭合
,调节电阻箱
,使表头
的指针指在2.50mA的位置,此时电阻箱
的示数为8.5Ω。则表头
的内阻测量值为Ω。
(2)同学们对实验结果进行了分析,认为理论上该测量值(填“大于”“小于”或“等于”)表头
内阻的真实值。
(3)为了更加准确地测量表头
的内阻,学习小组的同学们从实验室领到了表头
(量程为10mA),重新设计的实验电路如图乙所示。同学们实验时发现,表头
满偏时,表头
的示数为9.30mA,此时电阻箱
的示数为10.0Ω,则表头
的内阻为Ω(结果保留一位小数)。
(4)将学习小组测得的表头
的内阻记为
,完成改装时需要将表头
与阻值为(用
表示)的电阻并联。
【答案】(1) B 8.5
(2)小于
(3)8.6
(4)
【知识点】灵敏电流计改装成电流表、半偏法测灵敏电流计内阻的电路设计和实验步骤和误差分析
【详解】(1)[1]为了保护表头
,同时能使表头
满偏,滑动变阻器应选B。
[2]保持滑动变阻器R的滑片不动,可以认为干路中的电流保持不变,当表头
半偏时可以认为流过电阻箱
的电流也为2.50mA,根据并联电路的特点可知,表头
的内阻为8.5Ω。
(2)保持滑动变阻器R的滑片不动,再闭合
,调节电阻箱
,使表头
的指针指在2.50mA的位置,该操作会使得干路中的电流略大于5mA,根据并联电路的特点有
即该测量值略小于真实值。
(3)根据并联电路的特点有
解得
(4)根据并联电路的特点有
解得
(2025·河北张家口·二模)某同学用如图甲所示电路图测某电压表的内阻,实验室提供的器材如表中所示。
A.电源(电动势约为9V) |
B.待测电压表(量程为3V,内阻约为2000Ω) |
C.滑动变阻器 |
D.滑动变阻器 |
E.电阻箱 |
F.定值电阻 |
G.开关S、导线若干 |
操作步骤如下:
a.将电阻箱调到零,闭合开关S,调节滑动变阻器
,使电压表满偏;
b.保持滑动变阻器的滑片位置不变,调节电阻箱,当电阻箱阻值如图乙所示时,电压表指针恰好指在满刻度的
处。

(1)滑动变阻器应选用(填“C”或“D”)。
(2)电阻箱的读数为
,测得待测电压表的内阻
。
(3)用待测电压表与定值电阻
串联,可改装成另一个大量程的电压表,改装后的电压表的量程为V,用该电压表测电压,其测量值(填“大于”“等于”或“小于”)真实值。
【答案】(1)C
(2) 6336.0 2112.0
(3) 15 小于
【知识点】半偏法测电压表内阻的电路设计、实验步骤和误差分析
【详解】(1)由图甲可知,滑动变阻器采用分压式接法,为了调节方便,滑动变阻器应选用阻值较小C。
(2)[1]由图乙可得,电阻箱的读数为
[2]保持滑动变阻器的滑片位置不变,调节电阻箱,电压表指针恰好指在满刻度的
处,可认为电压表与电阻箱串联支路总电压保持不变,则根据分压关系可得
(3)[1][2]改装成的电压表的量程为
由于(2)问中调节电阻箱,电压表指针恰好指在满刻度的
处,此时由于电压表与电阻箱串联支路电阻增大,使得电压表与电阻箱串联支路总电压增大,则电压表电阻应小于电阻箱阻值的
,所以电压表电阻的测量值大于真实值,因此用该电压表测电压,其测量值小于真实值
(2025·辽宁·三模)某小组同学设计了如图甲所示电路同时测量电压表内阻
与定值电阻
的阻值。现有的实验器材如下:

A.待测电压表(量程0~3V,
未知)
B.待测电阻
(
约为1000Ω)
C.滑动变阻器
D.滑动变阻器
E.电阻箱
F.电源(电动势为3V,内阻不计);
G.开关,导线若干。
(1)根据实验电路,为尽可能精确测量,滑动变阻器应该选用。(填器材前字母序号)
(2)该小组选定实验器材后进行了如下操作:
①先将电阻箱R调至零,先后闭合开关
,
,调节
,至电压表读数恰好如图乙所示,此时电压表示数为V;
②断开开关
;
③调节电阻箱R,记录此时电压表示数U与电阻箱示数R;
④多次改变电阻箱R阻值,重复步骤③;
⑤根据图像法科学分析、计算结果。
(3)该小组同学根据所测数据作出
图像如图丙所示,图形的斜率为k,与纵轴的截距为b根据该图像可计算出电压表内阻
,待测电阻
。(用k、b表示)
【答案】(1)C
(2)2.00
(3) 

【知识点】半偏法测电压表内阻的电路设计、实验步骤和误差分析
【详解】(1)由题图可知,电路的控制电路采用的是分压式接法,为了保证误差尽可能的小,应选用总阻值小的滑动变阻器
。
故选C。
(2)量程为3V的电压表最小分度值为0.1V,所以其读数为
。
(3)[1][2] 由欧姆定律可知,电压表示数U与电阻箱阻值R的关系有
整理有
结合题图可知,对于
图像,有
,
整理可得
,
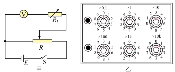
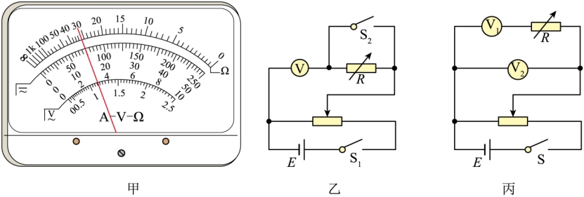
(2025·江西·模拟预测)某学生实验小组要测量一量程为3V的电压表的内阻(约为几千欧)。
(1)先用多用电表粗测电压表内阻;将多用电表选择开关拨到电阻挡“×100”挡,将两表笔短接进行调零,再将多用电表的(选填“红”或“黑”)表笔与待测电压表的正接线柱相连,将另一支表笔与另一个接线柱相连,多用电表的指针位置如图甲所示,那么粗测结果是Ω。

(2)为了精确测量此电压表的内阻,小组成员用半偏法测此电压表的内阻。设计的电路如图乙所示,其中:电阻箱R(最大阻值9999.9Ω),直流电源E(电动势6V),滑动变阻器最大阻值为20Ω。实验时,将图乙中滑动变阻器滑片移到最(选填“左”或“右”)端,闭合开关
,调节滑动变阻器使电压表满偏。断开开关
,再调节电阻箱,使电压表半偏,这时电阻箱的阻值为
,则电压表的内阻为
,此法测得的电压表内阻与真实值相比偏(选填“大”或“小”)。
(3)另一同学设计了如图丙所示的电路测该电压表的内阻,其中电压表
为被测电压表,
为量程为6V的电压表,实验时,按正确的操作,闭合开关后,调节滑动变阻器及电阻箱的阻值,使两电压表的指针偏转均较大,若调节后,电压表
的示数为
、电压表
的示数为
,电阻箱接入电路的电阻为R,则被测电压表的内阻
。
【答案】(1) 欧姆 黑 3200
(2) 左
大
(3)
【知识点】半偏法测电压表内阻的电路设计、实验步骤和误差分析、多用电表测电阻的方法、操作步骤、注意事项和读数、利用双伏法测量电阻
【详解】(1)[1][2]将两表笔短接进行欧姆调零,再将多用电表的黑表笔与待测电压表的正接线柱相连,将另一支表笔与另一个接线柱相连;
[3]根据图甲可知粗测结果是
(2)[1]实验时,将图乙中滑动变阻器滑片移到最左端,使电压表示数从最小开始调节。
[2]用半偏法测此电压表的内阻,断开开关
,再调节电阻箱,使电压表半偏,这时电阻箱的阻值为
,可认为电压表两端电压与
两端电压相等,则电压表的内阻为
[3]断开开关
,再调节电阻箱,使电压表半偏,此时电压表支路电阻变大,电压表支路的总电压变大,则
两端电压大于电压表两端电压,
大于电压表实际内阻,所以用半偏法测得的电压表内阻与真实值相比偏大。
(3)由图丙电路图可得
解得被测电压表的内阻为
考点五:电桥法测电阻
(2024·江西南昌·三模)某同学利用灵敏电流计设计了一个电路来测量某定值电阻
的阻值(约为
).所用实验器材如下:

A.电压表
(
,内阻约为
);
B.电压表
(
,内阻约为
);
C.电流表
(
,内阻约为
);
D.电流表
(
,内阻约为
);
E.电流计G(
,内阻约为
);
F.电阻箱
;
G.电源E(
,内阻很小)
(1)为了较准确地测量电阻
,电压表应选(选填“A”或“B”),电流表应选(选填“C”或“D”);
(2)为方便实验调节,闭合开关S前电阻箱应调整至
;
(3)闭合开关S后,调节电阻箱的阻值,当电流计读数为零时,分别读取并记录电阻箱阻值R、电压表读数U和电流表读数I,则待测电阻
的测量值为;(用题目给出的物理量表示)
(4)考虑电表内阻影响,待测电阻
的测量值真实值(选填“大于”、“等于”或“小于”).
【答案】(1) A C
(2)6
(3)
(4)等于
【知识点】电桥法测电阻问题
【详解】(1)[1][2]电源电压为3V,电压表应选A;待测阻值约为20Ω,则电流约为

电流表应选C。
(2)根据实验原理可知,为使电流计读数为零,应满足

解得

(3)当电流计读数为零时,待测电阻Rx的测量值为

(4)由于电流计读数为零,则电流表和电压表示数均代表待测电阻两端的电压和电流,所以待测电阻Rx的测量值等于真实值。
(2025·江西宜春·二模)某实验小组利用如图甲所示的电路测量一长度为L的待测电阻Rx的电阻率。其中R1为一较长的粗细均匀电阻丝,Rx为待测电阻,R0为电阻箱,a为电表。其测量步骤如下:
根据图甲的电路图连接电路,将R0调到某一数值,滑片P与金属丝某位置连接。闭合开关S1,试触开关S2,观察电表a的指针偏转情况;适当左右移动滑片P的位置,直至闭合开关S2时,电表a的示数为零;测出滑片P左右电阻丝AP、BP的长度L1、L2,读出此时电阻箱接入电路的阻值R0。

(1)实验小组用螺旋测微器测量电阻丝Rx的直径,示数如图乙所示,则其直径d=mm。
(2)为了测量更准确,图甲中的电表a应选以下哪个电表更合适___________。
A.量程为30μA、精度为1μA、内阻为100Ω的灵敏电流计
B.量程为0.6A、精度为0.02A、内阻为60Ω的电流表
C.量程为3V、精度为0.1V、内阻为3000Ω的电压表
(3)根据以上实验操作,待测电阻丝的阻值Rx =。待测电阻丝的电阻率ρ=。(用题中所给物理量的字母L、L1、L2、R0、d表示)
(4)重复(3)的操作,测出多组Rx、ρ的数据,分别取平均值。本实验待测电阻丝电阻的理论测量值(填“大于”“等于”或“小于”)真实值。
【答案】(1)1.500/1.501/1.499
(2)A
(3) 

(4)等于
【知识点】电桥法测电阻问题、测量电阻丝电阻率的数据处理方法
【详解】(1)螺旋测微器的读数即电阻丝的直径,由图可知
(2)各个电表的灵敏度情况如下:A表偏转1格所需电压为
B表偏转1格所需电压为
C表偏转1格所需电压为0.1V,为了测量更精确,就要求电表更灵敏。
故选A。
(3)[1]实验小组将滑动变阻器滑片调至最左端后,闭合开关S,调节滑动变阻器使其滑片处于合适位置,调节电阻箱,使其示数为
,然后调节滑片P,使表头的示数为0,由电桥平衡条件,得
其中
,
联立,解得
[2]根据电阻定律
可得,待测电阻丝的电阻率为
(4)重复(3)的操作,测出多组Rx、ρ的数据,分别取平均值,可减小偶然误差,此实验表头内阻不影响实验原理,电桥法无系统误差,因此待测电阻丝电阻的理论测量值等于真实值。
1、本网站所提供的信息,只供教育教学参考之用。
2、本网站及其会员一概毋须以任何方式就任何信息传递或传送的失误、不准确或错误对用户或任何其他人士负任何直接或间接的责任。
3、在法律允许的范围内,本网站在此声明,不承担用户或任何人士就使用或未能使用本网站所提供的信息或任何链接或项目所引致的任何直接、间接、附带、从属、特殊、惩罚性或惩戒性的损害赔偿。
4、访问者在从事与本网站相关的所有行为(包括但不限于访问浏览、利用、转载、宣传介绍)时,必须以善意且谨慎的态度行事;访问者不得故意或者过失的损害本网站的各类合法权益,不得利用本网站以任何方式直接或者间接的从事违反中华人民共和国法律、国际公约以及社会公德的行为。对于访问者利用本网站提供的信息而作出的任何决策、决定以及其后果,本网站不承担任何责任
5、本网站图片,文字之类版权,本网站无法鉴别所上传图片或文字的知识版权,如果侵犯,请及时通知我们,本网站将在第一时间及时删除。
6、凡以任何方式登录本网站或直接、间接使用本网站资料者,视为自愿接受本网站声明的约束。
UePlus








Um时,R2两端的电压将大于
Um,则R2>RV,从而造成RV的测量值偏大。
(最大阻值为10Ω)
(最大阻值为500Ω)
,最大阻值为99999.9Ω
,阻值为8448Ω